2022-09-03 15:58:40皖南电机的检查与维护工作
1、清擦电机。及时清除电机机座外部的灰尘、油泥。如使用环境灰尘较多,更好每天清扫一次。 2、检···
了解详情
1、清擦电机。及时清除电机机座外部的灰尘、油泥。如使用环境灰尘较多,更好每天清扫一次。 2、检···
了解详情
感应电动机,又称“异步电动机”,是将转子置于旋转磁场中,在旋转磁场的作用下,获得一个转动力矩,因···
了解详情
有关Z系列中型直流电动机特点介绍: 【此电动机适用条件】 电动机允许强行励磁,强励电压不得超过···
了解详情
YE2系列皖南电机使用条件: 【传动方式】 允许采用弹性联轴器、正齿轮及皮带轮传动 ···
了解详情
YFB2系列粉尘防爆型三相异步电动机为全封闭自扇冷鼠笼式三相异步电动机,该系列电动机具有体积小、效···
了解详情
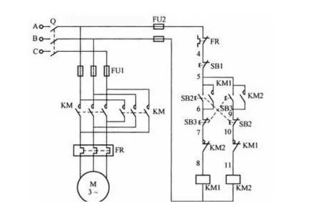
只采用复合按钮的互锁保护是不太可靠的,实际工作中由于负载短路或大电流的长期作用,接触器的主触点有可能···
了解详情